Boru Hattı Temizleme Sistemi
Boru Hattı Temizleme Sistemi Pig Alıcı ve Fırlatıcı Sistemleri
PETRAC, başarılı bir boru hattı temizleme operasyonunun kurulumu ve bakımında size birçok önemli avantaj sunan, standart ve komple fırlatma ve alma sistemleri tasarlar ve üretir.

Standart fırlatma ve alma sistemlerimiz, tamamlanmış paket çözümlerdir. Vanalar, boru bağlantıları ve taşıma ekipmanları önceden monte edilmiş ve test edilmiş olarak, sahada kuruluma hazır şekilde teslim edilir. Bu sayede tasarım çalışmaları, mühendislik spesifikasyonları, farklı tedarikçilerden teklif alma, komponent parçaların imalatı ve montajı gibi zaman alıcı süreçlerle uğraşmanıza gerek kalmaz.
PETRAC tüm bu işleri sizin için önceden tamamlamıştır! Her ünite, tüm çıkışları doğru boyutlandırılmış ve konumlandırılmış şekilde kaykı üzerine monte edilmiş olarak gelir. Yapmanız gereken tek şey, sistemin kurulacağı alanı hazırlamak, ana hat ve bypass hattı bağlantılarını yapmak; ardından çalışır bir sisteme sahip olursunuz.
PETRAC'ın fırlatma ve alma ekipmanları, işgücü ve zaman gereksinimlerini minimize edecek şekilde verimli ve kolay çalışan komple bir ünite olarak işlev görür. Altmış yılı aşkın boru hattı pig'i tasarlama ve üretme deneyimimiz ile sağladığımız ilgili temizleme hizmetleri, PETRAC'ı fırlatma ve alma sistemleri tasarlama ve üretme konusunda en iyi şekilde hazırlamıştır. Deneyimlerimiz bize neyin en iyi çalıştığını öğretmiş ve bunu kuruluma ve kullanıma hazır tek bir komple üniteye entegre etmişizdir.
Aynı bilgi birikimi ve deneyim, sizin özel uygulamanız için özel olarak tasarlanmış ve üretilmiş sistemler konusunda da hizmetinizdedir. Standart ünitelerimizde de çeşitli opsiyonlar mevcuttur.
Boru hattı temizleme sistemleri için komple, standart fırlatma ve alma sistemlerimiz hakkında size daha fazla bilgi vermekten mutluluk duyarız.
Pig Fırlatıcı ve Alıcı Sistemleri
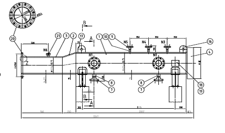
Standart PETRAC pig bareli tasarımları, bir adet standart temizleme veya itme pig'i fırlatma ve iki adet alma kapasitesine sahiptir. Standart tasarımlar, pig'lerin başarılı bir şekilde fırlatılması ve alınması için gerekli tüm çıkışları içermektedir. Bu çıkışlar; boru hattı boyutunun üçte biri oranında çıkış veya bypass hattı, ölçüm flanşı, havalandırma flanşı ve boşaltma hattından oluşmaktadır. Aşırı boyutlu bareller, pig kupa çapının ötesine uzanan temizleme elemanlarına sahip temizleme pig'lerinin kolayca yerleştirilmesi için gereken boşluğu sağlayacak şekilde boyutlandırılmıştır.






